2021-09-30浏览次数:
来源:四川省知识产权服务促进中心
(版权归原作者所有,本文仅供交流学习,部分文章推时未能及时与原作者取得联系,若来源标注错误或侵犯到您的权益,烦请告知,我们将立即删除)
封面图片来自网络

各专利代理机构:
近期,国家知识产权局第三次通报了各地不以保护创新为目的的非正常专利申请情况,为贯彻落实相关工作要求,推动我省知识产权高质量发展,现就持续开展非正常专利申请整改工作的要求通知如下:
一、整改对象
经营场所在四川省内的专利代理服务机构,包括省外具有专利代理资质的专利代理机构驻四川省内的分支机构。
二、整改内容
有关机构(名单另行通知)要对照《关于规范申请专利行为的办法》(第411号公告)、《四川省专利代理机构和专利代理师主体责任清单》和国家知识产权局“蓝天”专项整治行动等有关要求,对代理的尚未审结的所有专利申请进行全面、深入的自查,并结合国家知识产权局通报内容,积极协助申请人尽快将不以保护创新为目的的专利申请全部撤回,协助退回已资助资金,同时代理机构和签名代理师提交整改报告。
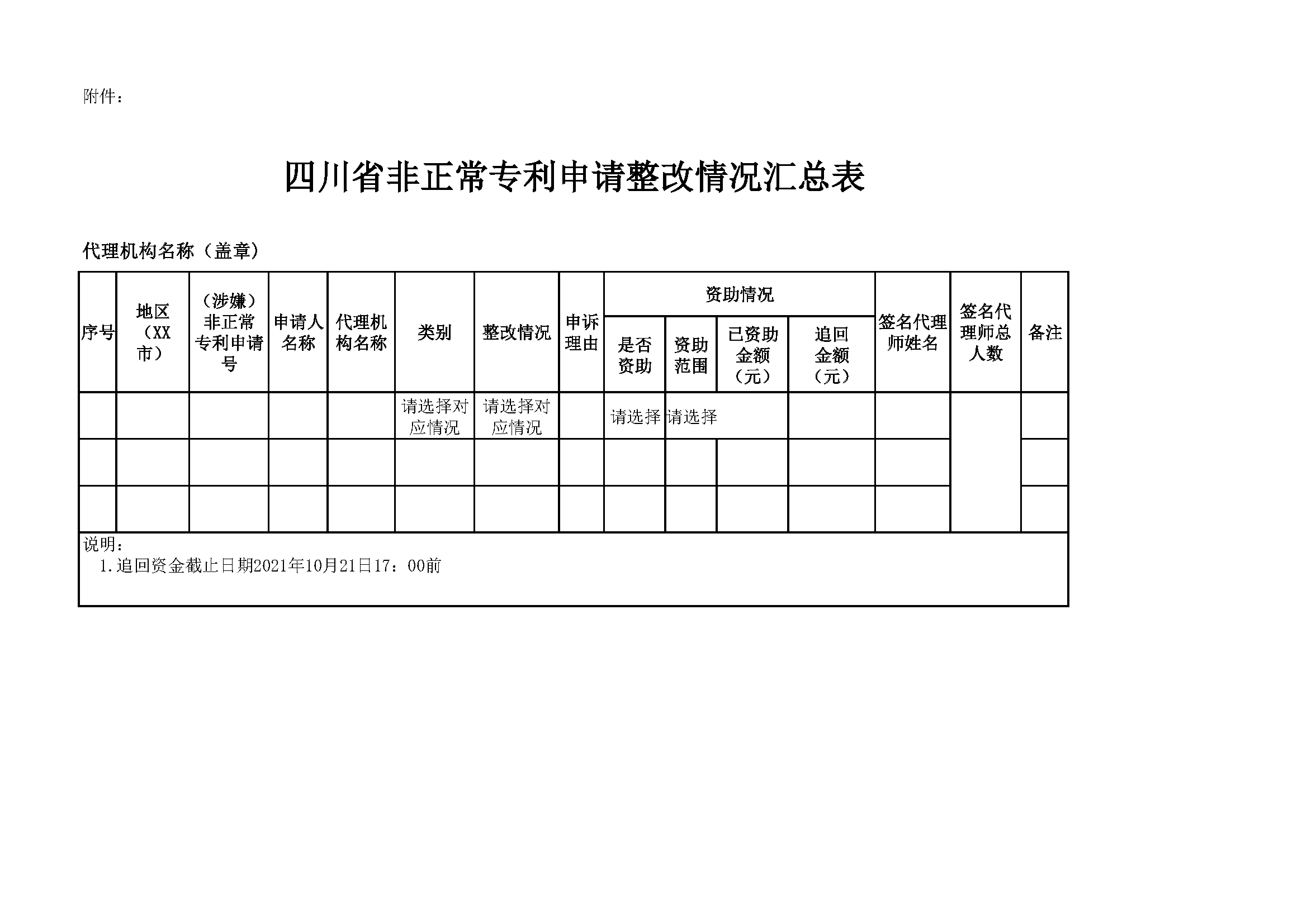
机构整改报告需包括自查情况、问题原因、整改措施、整改成效和防范措施等内容,并附非正常专利申请整改情况汇总表。
签名代理师整改报告需包括涉及的非正常专利申请情况、产生的原因、防范措施等内容。
三、相关要求
1.机构要进一步提高重视程度,充分认识非正常专利申请行为的危害,充分了解国家对不以保护创新为目的的专利申请坚决遏制,持续保持高压打击态势的决心。我省将对国家局通报所涉代理机构以及人均代理量持续过高的专利代理机构持续进行重点监督检查,在“双随机”检查中提高抽查频率。
2.机构要严格按照要求进行整改,同时全面排查整改人均代理量过高问题,严格落实代理师签名责任。对积极主动撤回并全面自查整改的,知识产权管理部门可酌情从轻处置;对拒不撤回又不提供充分书面证据的,或者未认真自查、不主动整改的,将根据情节依法从重处理,并将相关线索信息转公安部门、信用监管等部门依法处置;对于屡范等情节严重的,国家局和地方知识产权管理部门将依据各自职能职责,从专利审查、费用减缓、信用监管、行政执法、奖励资助、评优评奖、行业自律等多方面予以联动约束,严厉打击。
3.经与申请人充分沟通后申请人坚决要求申诉,代理机构认为确有必要提出申诉的,机构应一并汇总申诉材料,每件申诉材料一个文件夹,文件名为专利申请号+专利名称。
申诉材料须详实记录技术研发过程、企业资质等内容,包括但不限于专利技术研发的立项情况、专利产品的研发及生产情况、实物照片、销售合同及发票等证据;对于未按期提交申诉材料的专利申请,国家局将在电子申请系统中发出有关非正常申请的《审查业务专用函》,届时申请人需要通过系统以答复《审查业务专用函》的形式提交申诉材料。
4.未收到电话通知的机构,可借此机会开展对代理的尚未审结的所有专利申请进行全面、深入的自查、检视自身经营行为,如自查出问题的按本通知要求报送材料。
5.收到电话通知领取资料的机构安排工作人员到四川省代理师协会(成都市高新区天府五街200号菁蓉汇7B栋4楼405号)领取光盘资料。按保密要求,领取人须携带单位介绍信(盖机构鲜章)、本人身份证原件及复印件。
6.每名签名代理师一份整改报告(落款需代理师手签),请将机构整改报告、签名代理师整改报告、非正常专利申请整改情况汇总表、申诉材料盖机构鲜章扫描件及以上相应材料的office或者wps版本于10月21日17:00前发送至以下指定邮箱。
(联系人:成丽娟 江利娟,联系电话:13982163589 028-85577275,邮箱:250076462@qq.com)
附件: 《四川省非正常专利申请整改情况汇总表》
四川省知识产权服务促进中心 四川省市场监督管理局
2021年9月29日
