2020-09-04浏览次数:
来源:武侯区新经济局
(版权归原作者所有,本文仅供交流学习,部分文章推时未能及时与原作者取得联系,若来源标注错误或侵犯到您的权益,烦请告知,我们将立即删除)
封面图片来自网络
一、申报要求
(一)项目申报材料要有详细的项目实施内容(详见可行性研究报告要求),投资估算要合理。
(二)申报材料用A4纸张双面印刷装订成册(首页后附参阅目录)并加盖骑缝章,报送纸质材料一份、电子文档doc和PDF版各一份(内容须与纸质材料完全一致),所留联系方式确保联系通畅,各类证明材料复印件需清晰可见并加盖企业鲜章,落款日期必填。
二、申报材料
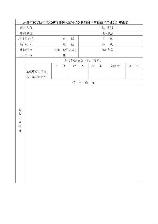
1、填写《成都市武侯区科技成果转移转化暨科技创新项目(高新技术产业类)申请审批表》。
2、填写《成都市武侯区应用技术研究与开发资金高新技术产业资助项目可行性研究报告》。
3、按要求准备相关附件,包括:
必备的附件:
(1)可行性研究报告;
(2)企业法人营业执照、税务登记证书、组织机构代码证或三证合一(复印件);
(3)能说明项目知识产权归属及授权使用的具有法律效力的证明文件(如:专利证书,软件著作权登记证书、高新技术企业证书、软件企业证书、合作开发技术合同、科技成果鉴定证书等);
(4)企业上年度审计报告和本年度最近一个月的财务报表(资产负债表、损益表)。
注:当年注册的新办企业,须报送企业注册时的验资报告和本年度最近一个月的企业会计报表(资产负债表、损益表)。
(5)能说明项目知识产权归属及授权使用的具有法律效力的证明文件(如:专利证书,软件著作权登记证书、技术合同、科技成果鉴定证书等)。
(6)国家专卖、专控及特殊行业的产品,须附相关主管机构出具的批准证明。
(7)项目经费预算报表。
辅助附件:
(1)可以说明项目情况的证明文件(如技术报告、查新报告、检测报告、用户使用报告等)。
(2)与项目和企业有关的其它参考材料 (如:列入国家或地方计划的有关批准文件、环保证明、奖励证明、用户定单、产品照片等)。
附件:




